非标定制螺丝

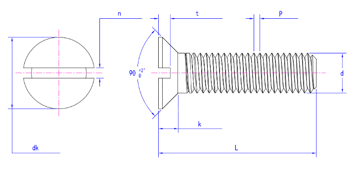
GB68-76 一字沉头机螺钉

执行标准:GB68-76

产品材质:碳钢;不锈钢 (可定制)

表面处理:镀锌;洗白

强度等级:4.8级;6.8级;8.8级;10.9级;A2-70;A4-70

咨询留言

  • 产品详情
  • 产品手册
  • 视频资料

咨询留言

如果您有任何问题或疑问,请给我们留言,我们将在一个工作日内回复!